| 规格: 1220*2440 | 含水率: 9.2 |
| 起订: 1000 张 | 供货总量: 100000 张 |
| 发货期限: 自买家付款之日起 3 天内发货 | 所在地: 四川 成都市 |
| 有效期至: 2019-08-31 [已过期] | 品牌:湘粮板业 |
详情介绍
无醛刨花板生产企业简介:
湖南粮食集团·湘粮板业有限公司(以下简称湘粮板业)创始于2015年,坐落于山清水秀的湖南省郴州市安仁县灵官镇工业园,是由国有控股企业湖南粮食集团投资创立、承接粮食产业链延伸的中坚平台。企业总投资6.5亿元人民币,占地281亩,是国家重点战略性新兴产业及湖南省首批低碳试点企业。
湘粮板业巨资引进全套德国迪芬巴赫刨花板连续压机设备,采用双通道芯表层刨花干燥系统,并配备理化实验室、化学实验室和中央控制室,打造出国内生态级板材智能制造工厂,年产量高达30万立方零甲醛刨花板。
2016年以来,湘粮板业成功研发出无醛刨花板等先进基材产品,先后通过了ISO9001:2015质量体系认证、ISO14001:2015环境管理体系认证、中国环境标志产品认证(十环认证)、FSC森林认证以及美国加州CARB NAF、环保署 EPA等30余项国家级认证专利。
2018年8月24日,经中国林业产业协会认定管理委员会授权的绿林认证有限公司,根据《无醛人造板及其制品团体标准》的要求,对湖南粮食集团·湘粮板业进行了认定审核,并通过了“无醛人造板及其制品”的认定。全国获此认定的板材生产企业寥寥无几。
2019年1月1日,湘粮板业正式授权立巢集团旗下成都大亚商贸有限公司为其川渝地区的钻石级经销商,独家代理在授权区域销售“湘粮”牌板材产品,并颁发了经销商授权书。
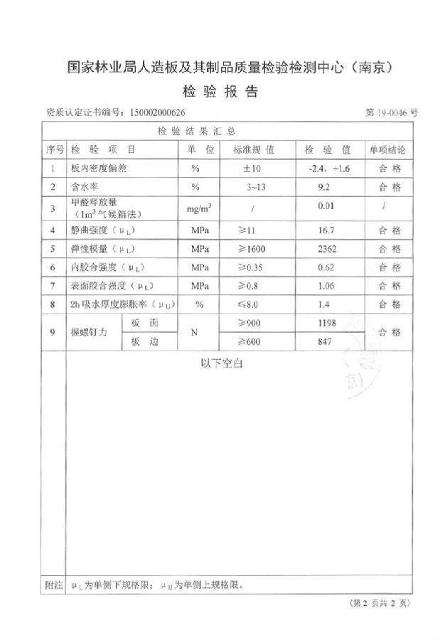
无醛板的理化指标及检测报告
中国林产工业协会发布的《无醛人造板及其制品团体标准》中规定,无醛添加刨花板(以下简称无醛板)的甲醛释放量指标(限量值)为0.03mg/m3(气候箱法)。
查看国家检测机构出具的无醛板检测报告可以非常直观地了解无醛板的甲醛释放量详细数据。下图是由国家林业局人造板及其制品质量检验检测中心出具加盖公章的湘粮板业无醛刨花板检测报告,明确显示送检样板甲醛释放量检验值为0.01mg/m3,与天然木材的甲醛释放情况相似。
湘粮无醛刨花板的生产过程:
无醛刨花板的生产,经过:原料筛选、切片、干燥、拌胶、预压、热压、横截、冷却、砂光等一系列工艺,全程22道工序严格控制,精挑细选、层层把关,确保每一寸板材像粮食一样安全,是健康板材环保之路的理想选材
湘粮无醛刨花板的用途
让家庭居住和生活更加安全放心,环保健康的无醛刨花板无疑更适用于家庭卧室、儿童房、老人房及医院、幼儿园、养老中心等;包括橱柜、衣柜、护墙板、板式定制家具和全屋整装,都有无醛刨花板的广泛应用。打造无醛的家居环境,这不仅仅只是家居行业的风之所向,更是广大消费者们的心之所属。
湘粮无醛刨花板的优势特点:
1、环保性能优越:板材采用MDI胶粘剂,按照国家标准进行检测,零甲醛添加,是比较环保、比较具性价比的无醛刨花板。
2、极佳的防潮性能:MDI制板过程中与原材料中的水和亲水基因,生产耐水性强的高分子化合物,板材2小时吸水膨胀率远远低于同类产品,优于木质刨花板国家标准。
3、高性能阻燃:经《国家固定灭火系统和耐水构件质量监督检验中心》检测,不添加任何防火剂的秸出板材其燃烧性能就能达到GB8624-B2级要求。
4、性能稳定、不易变形:无醛刨花板的胶黏剂胶合强度极强,性能远超脲醛胶水,其翘曲变形极小,性能稳定性极好,各项理化性能均远远超过刨花板国家环保标准。
5、具有原木香味:无醛刨花板采用特殊工艺,品质源于自然,杜绝了有害气体的释放,并散发淡淡的原木香味。
6、吸音隔音:无醛刨花板具有多孔的天然结构,是音波的不良导体,能有效阻挡噪音的传播。










网友评价 共0条 [查看全部]